|

首页 > 吸油烟机
顶吸系列 top suction

P902(灰)

聚拢环吸·触控开关
产品参数
产品亮点
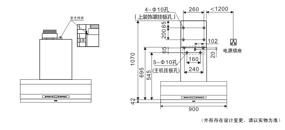
产品尺寸

P902(灰).png

安装方法

微信截图_20220707101017.png

微信截图_20220707101034.png

产品视频
产品说明书