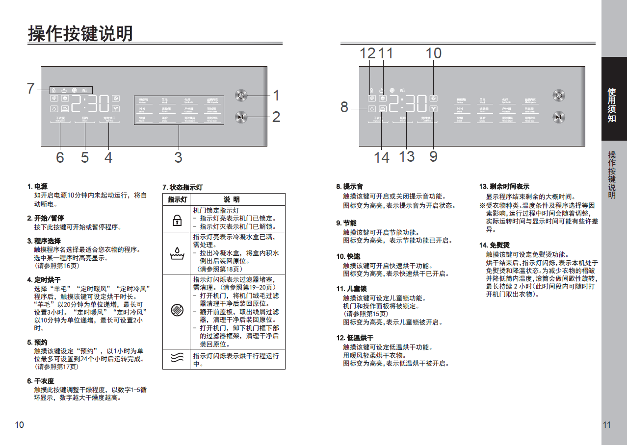
使用说明书