使用说明书

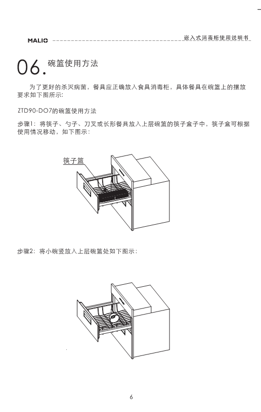
image.png

image.png

image.png

image.png

image.png

image.png

image.png

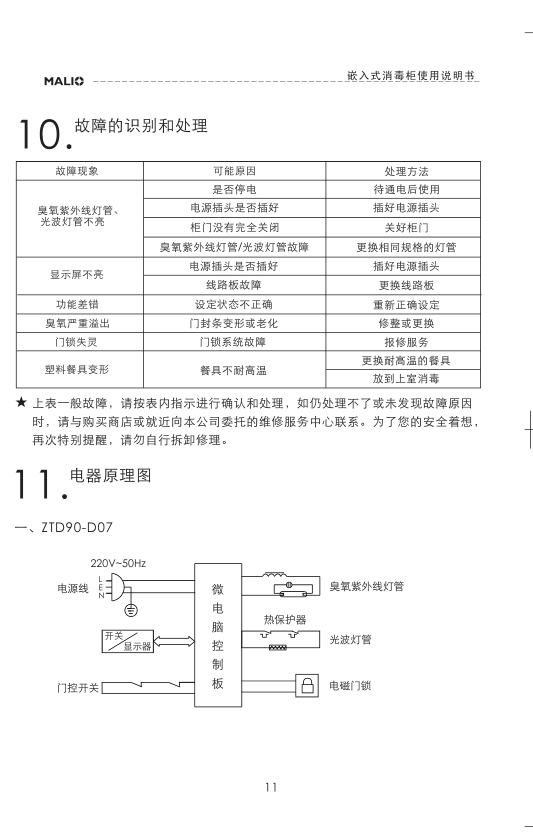
image.png

image.png

image.png

image.png

image.png

image.png

image.png

image.png